- Обзор
- Характеристики
- Отзывы (0)
Электродвигатель промышленный АПН 012 2
Электродвигатель АПН 012-2 — это компактный и надежный асинхронный электродвигатель, предназначенный для применения в различных отраслях промышленности и коммунального хозяйства. Благодаря оптимальному сочетанию мощности, оборотов и универсального напряжения питания он широко используется в приводах маломощного оборудования. В Санкт-Петербурге поставкой и консультациями по электродвигателю АПН 012-2 занимается компания «Электротехника», предлагая проверенные решения для производственных и технических задач.
Данная модель относится к серии АПН, которая зарекомендовала себя стабильной работой, простотой обслуживания и длительным сроком службы. Электродвигатель подходит для непрерывной эксплуатации и легко интегрируется в существующие системы.
Назначение и область применения электродвигателя АПН 012-2
Электродвигатель АПН 012-2 применяется в оборудовании, где требуется надежный привод с небольшой потребляемой мощностью и высокой частотой вращения. Он используется в вентиляционных установках, насосах малой производительности, станках, приводах автоматических систем, а также в лабораторном и вспомогательном оборудовании.
Благодаря универсальности по напряжению питания двигатель может использоваться как в однофазных, так и в трехфазных сетях, что делает его удобным решением для различных объектов — от производственных цехов до мастерских и сервисных зон.
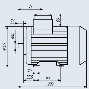
Технические характеристики электродвигателя АПН 012-2
Электродвигатель АПН 012-2 имеет номинальную мощность 0,12 кВт, что оптимально для маломощных приводов. Частота вращения составляет 3000 оборотов в минуту, что соответствует двухполюсному исполнению и обеспечивает высокую скорость работы подключенного оборудования.
Модель рассчитана на питание от сети 220/380 В, что позволяет использовать двигатель в разных электрических системах без необходимости сложной доработки. Монтажное исполнение IM 2181 обеспечивает удобную установку в составе оборудования и надежную фиксацию двигателя.
Конструктивные особенности электродвигателя АПН 012-2
Конструкция электродвигателя АПН 012-2 выполнена с учетом требований к долговечности и стабильности работы. Асинхронный принцип действия обеспечивает простоту конструкции, отсутствие сложных узлов и устойчивость к перегрузкам в пределах допустимых значений.
Корпус двигателя защищает внутренние элементы от механических воздействий и загрязнений, а система охлаждения способствует эффективному отводу тепла при длительной работе. Это позволяет использовать электродвигатель в режимах продолжительной эксплуатации без риска перегрева.
Преимущества использования электродвигателя АПН 012-2
Одним из ключевых преимуществ электродвигателя АПН 012-2 является его надежность и неприхотливость в обслуживании. Отсутствие сложной электроники снижает вероятность отказов и упрощает техническое обслуживание.
Дополнительным плюсом является компактность и небольшой вес двигателя, что облегчает его монтаж и замену. Универсальность по напряжению питания расширяет сферу применения и делает модель удобной для модернизации существующих установок.
Электродвигатель АПН 012-2 в промышленной эксплуатации
В промышленности электродвигатель АПН 012-2 используется как часть вспомогательных и технологических систем. Он обеспечивает стабильную работу оборудования, где важны точность, постоянство оборотов и надежность привода.
Благодаря стандартному исполнению и распространенным характеристикам двигатель легко интегрируется в серийные и индивидуальные проекты. Это делает его востребованным среди инженеров, проектировщиков и специалистов по техническому обслуживанию.
Поставка электродвигателя АПН 012-2 от компании «Электротехника» в Санкт-Петербурге
Компания «Электротехника» в Санкт-Петербурге предлагает электродвигатель АПН 012-2 с гарантией качества и соответствием заявленным техническим характеристикам. Специалисты компании помогают подобрать двигатель с учетом условий эксплуатации, требований по мощности, оборотам и типу подключения.
Поставка электродвигателей осуществляется для промышленных предприятий, сервисных организаций и частных заказчиков. Обратившись в компанию «Электротехника», клиенты получают не только качественное оборудование, но и профессиональную консультационную поддержку.
Почему выбирают электродвигатели серии АПН
Электродвигатели серии АПН ценятся за стабильную работу, доступность и универсальность применения. Они подходят для решения широкого круга задач и обеспечивают надежную эксплуатацию оборудования при минимальных затратах на обслуживание.
Электродвигатель АПН 012-2 0,12 кВт 3000 об/мин 220/380 В IM 2181 является практичным выбором для тех, кто ищет компактный и проверенный привод. В сочетании с поставкой от компании «Электротехника» в Санкт-Петербурге он становится эффективным решением для различных технических и производственных задач.
